AhlsellProdukterElAutomation 23/27/36-38/8627 Reläer, detektorer och spänningsaggregatReläerElektromekaniska reläerPlug-in reläerInterfacereläer



Wago
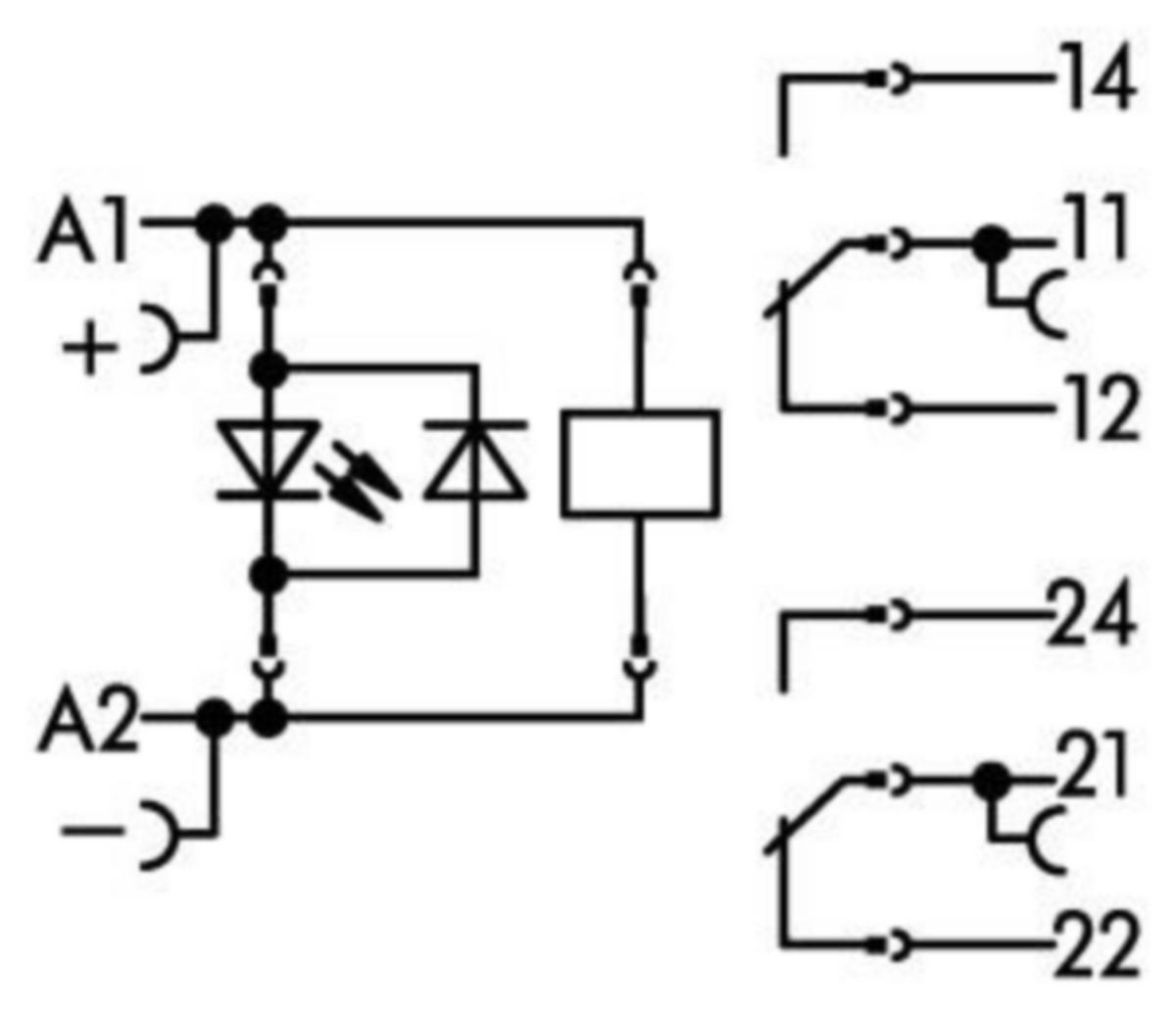
Relämodul Wago 2NO/2NC (2 x 8 A) 788-serie
RELÄENHET WAGO 788-312 RELÄMODUL 24V DC1 CO
Artikelnr: Lev. artikelnr:
2741029
788-312
för att se lagerstatus och pris
- Artikelnr: 2741029
- Lev. artikelnr: 788-312
- Ean artikelnr: 4045454352035
- Materialklass S2715B
Teknisk data
- Övriga förp.storlekar: 1 ST/20 ST
- Märkspänning matning vid DC: 24 V
- Antal kontakter växlande: 2
- Antal kontakter normalt öppna (NO): 0
- Antal kontakter normalt stängda (NC): 0
- Typ av kopplingskontakt: Enkelkontakt
- Typ av elanslutning: Fjäderklämanslutning
- Kapslingsklass (IP): IP20
- Med avtagbara klämmor: Nej
- Kompletta med uttag: Ja
- Höjd: 54 mm
- Bredd: 15 mm
- Djup: 86 mm
- Med tvångsstyrda kontakter: Nej
- Drivning, växlingsbeteende: Monostabil
- Drivning, polarisation: Polariserad
- Spänningstyp för manöver: DC